皇冠crown(中国)系列机械手控制系统开关电源及制动电阻尺寸图-皇冠crown(中国)科技

皇冠crown(中国)

皇冠crown(中国)系列机械手控制系统开关电源及制动电阻尺寸图

[ 发布日期:2021-05-18 ] 来源: 【打印此文】 【关闭窗口】

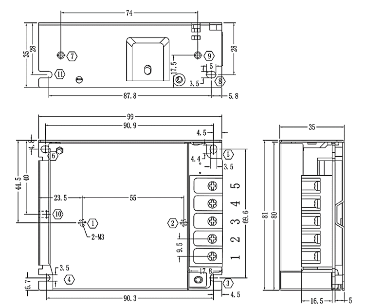
皇冠crown(中国)系列机械手控制系统开关电源及制动电阻尺寸图,统一适用所有系列型号产品,开关电源分单路及双路,如下:


单路开关电源尺寸图:



安装方式

安装位号

螺丝规格

螺丝长度(max)

安装扭矩(max)

螺丝固定

①--② ⑦--⑨

M3

5mm

6.5kgf.cm

③--⑥ ⑩--⑫

M3

3mm

7kgf.cm


双路开关电源尺寸图:



安装方式

安装位号

螺丝规格

螺丝长度(max)

安装扭矩(max)

螺丝固定

①--② ⑦--⑨

M3

5mm

6.5kgf.cm

③--⑥ ⑩--⑫

M3

3mm

7kgf.cm


制动电阻尺寸图:



安装方式

螺丝规格

螺丝

长度(max)

安装

扭矩(max)

螺丝固定

M5

8mm

7.5kgf.cm


型号

25℃-40℃额定功率(W)

外形尺寸(mm)

阻值范围

电阻体

A±1.0

B±1.0

C±1.0

D±1.0

E±0.5

F

G±1.0

0.1~20K

RXLG

200

165

147

30

60

5.6

45°

119


版权所有 © 深圳市皇冠crown(中国)工业控制股份有限公司 未经许可不得复制、转载或摘编,违者必究  版权声明

Copyright © Shenzhen Huacheng Industrial Control Co., Ltd. All Rights Reserved.

网站ICP备案号: 粤ICP备19106162号

技术支持:新新网络

咨询在线客服

咨询电话

13924666952

400-158-1606

官方客服微信